问题库
电脑
生活
QQ
游戏
体育
法律
娱乐
艺术
民生
教育
医疗
金融
情感
地区
搜索
汽修教育
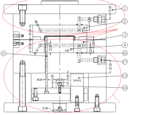
说明该模具有哪几部分组成,并指出序号所对应的零件名称。
陌生人,
1330 次浏览
2018.09.26 提问
10
收起回答
提交答案
匿名
你的每个回答都是帮助,马上参与
关闭
关闭
修改您的问题
说明该模具有哪几部分组成,并指出序号所对应的零件名称。
说明该模具有哪几部分组成,并指出序号所对应的零件名称。
问题补充说明:
还可以输入
200
字
添加图片
javascript:void((function(){document.open();document.domain='sogou.com';document.close()})());
还可添加
0
张
上传说明: 每张图片大小不超过5M,格式为jpg、bmp、png
问题分类
正确的分类能够获得更专业的回答
汽修教育
搜索
问题悬赏
10
0
5
10
20
30
40
50
您目前
问豆为:
0
提交
置顶